EA-38-10
Overview
Overview
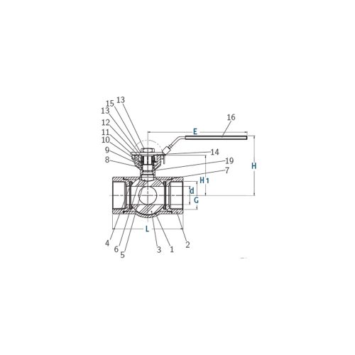
Features & Specifications
- ASTM 316 stainless steel construction
- Blowout proof stem design
- Standard (reduced) port design
- Available in L or T port
- Standard locking handle
- ISO 5211 mounting pad suitable for automation
- Multiport design provides positive seating at all ports
- Reduces quantity of valve needed in pipeline
- 1000 WOG/NPT ends
- Available in ¼”–2” sizes












